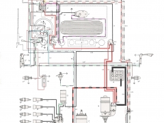
Le schéma des faisceaux électriques de VW Cox Coccinelle 1200 1300 1302 1303.
Souvent les clients me questionnent au sujet du branchement de leur interrupteur de warning ou bien sur la correspondance des repères sur le relais de phare ou bien de clignotant. Et c’est vrai que dans la revue technique automobile, le plan de câblage électrique est en noir et blanc ! Pas facile de s’y retrouver. D’où l’idée de scanner sous forme de PDF ou JPEG les manuels de parcours de courant récupérés dans la concession VW de mon père. Vous trouverez ici les modèles les plus courants, si votre modèle ne s’y trouve pas, envoyez moi un mail et si je le possède dans mes archives, je le rajouterai.
Cliquez sur les images pour les agrandir ! Et survolez les images avec la souris pour savoir de quoi il s’agit.

